-
کریسترمیخواستم یک لحظه وقت بگیرم و بگم که چقدر تحت تاثیر نتایج هدف های لیزر تا الان هستم. توجه شما به جزئیات واقعاً نشان می دهد، و هیجان انگیز است که این کار را به خوبی انجام دهید. ممنون از کار و تلاش شما بسیار سپاسگزارم! نمیتونم صبر کنم تا نتیجه نهایی رو ببینم! -
کریسعالی ممنون از تعامل خوب با مشتری ها کاش شرکت های بیشتری از شما پیروی می کردند و با مشتریان خود ارتباط برقرار می کردند -
آرهمن منظره هولوگرافیک رو در حالت کار دریافت کردم در حال حاضر دارم منظره ها رو امتحان می کنم و به نظر می رسه که درست همونطور که اعلام شده کار می کنهمن يه سري لکه يا اثر انگشت روي لنز ها رو ديدم، اما آن ها به اندازه کافی آسان برای تمیز کردن وجود دارد برخی از چیزهای کوچک است که می تواند تغییر یا بهبود بر روی، اما من آنها را در فرض -
رایانممنونم دقت و پارامترش کاملاً به انتظارات من برميگرده واقعاً از توصيه حرفه اي شما قدرداني ميکنم -
توماسبايد بگم، منظره هولوگرافي شما واقعاً تحت تاثير قرار ميگيره... قطعاً ميتونه با EOTECH رقابت کنه!
1030 نانومتر 200 میلیوات لیزر دیود تک حالته با بستهبندی پروانهای با TEC و درایور اختیاری
برای نمونه و کوپن رایگان با من تماس بگیرید.
WhatsApp:0086 18588475571
ویچت: 0086 18588475571
اسکایپ: sales10@aixton.com
اگر نگرانی دارید، ما به صورت آنلاین 24 ساعته راهنمایی می کنیم.
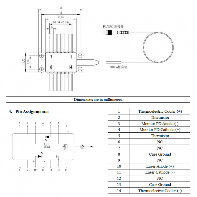
x| نام محصول | DFB Butterfly Package دیود لیزری فیبر کوپل شده | طول موج | 1030 نانومتر |
|---|---|---|---|
| توان خروجی | 200.0 میلی وات | حالت لیزری | CW |
| ولتاژ ورودی | 5.0 ولت DC | رابط | FC/PC، FC/APC، SMA905 |
| نوع فیبر | PM980 | طول عمر | 10،000 ساعت |
| برجسته کردن | لیزر دیود تک حالته 1030 نانومتری,لیزر بستهبندی پروانهای 200 میلیوات,ماژول لیزر فیبری با TEC,200 mW butterfly package laser,fiber laser module with TEC |
||
1030 nm 200 mW PM1030 بسته پروانه دیود لیزر تک حالت با TEC و راننده اختیاری
توضیحات محصول
دردیود لیزری AMLD سری 1030nmلیزر تک حالت با عملکرد بالا است که برای کاربردهای دقیق طراحی شده است.تراشه چند کوانتومی (MQW)در یکبسته پروانه 14 پین بسته بندی شده، با یکخنک کننده ترمو الکتریکی (TEC),ترمستور,فوتودایود مانیتوروجداکننده نوری، اطمینان ازخروجی پایدار، عرض خط باریک و قابلیت اطمینان طولانی مدت.
دیود لیزرفیبر با فیبر PM980 که قطبی سازی را حفظ می کندو از یکدرایور لیزر اختیاری با کنترلگر دما. رانندهکنترل دقیق جریان و دمایاز طریقرابط RS-232ونرم افزار کنترل اختصاصی، امکان نظارت خارجی، عملکرد ثابت ثابت و مدیریت دمای با دقت بالا.
اين سيستم ليزري برايآزمایشات آزمایشگاهی، آزمایش فیبر نوری، کاربردهای صنعتی، و هر فرآیند که نیاز بهثبات بالا و عملکرد قابل تکرار.
مشخصات
|
موارد |
مشخصات |
|
شماره مدل |
ماژول دیود لیزری فیبر کپل شده DFB Butterfly |
|
طول موج |
1030±2nm |
|
قدرت خروجی |
200 میلی وات |
|
حالت لیزر |
CW |
|
نسبت سرکوب حالت جانبی |
50دبی |
|
نسبت انقراض قطبی شدن |
≥18dB |
|
ولتاژ کار |
5.0V/3A |
|
شدت نسبی سر و صدا |
≤-140dB/Hz |
|
نوع فیبر |
PM980 |
|
دمای کار |
-20 تا 70 درجه سانتیگراد |
|
ابعاد |
30x12 میلی متر |
|
طول فیبر |
1 متر |
|
کانکتور |
FC/PC، FC/APC، SMA905 |
|
طول عمر |
10،000 ساعت |
ویژگی ها
● عملکرد بالاخروجی تک حالتبا عرض خط باریک
●عملکرد پایدار و قابل اطمیناندر شرایط مختلف دما و محیط زیست
●یکپارچهTEC، ترمیستور و دیود عکاسی مانیتوربرای کنترل دقیق
●با فیبر متصلطراحی برای ادغام آسان در سیستم های نوری
●درایور لیزر و کنترلگر دمای اختیاری
درخواست ها
ماژول های دیود لیزری فیبر با TEC و راننده اختیاری DFB Butterfly Package 1030nm در:
● تحقیقات علمی:ایده آل برای مداخله سنجی، طیف سنجی و آزمایشات لیزر آزمایشگاهی که نیاز به عرض خط باریک و خروجی پایدار دارند.
●پمپاژ تقویت کننده فیبر:مناسب برای پمپاژ EDFAs و SOAs در تقویت سیگنال نوری و آزمایش.
●حسابرسی فیبر:در سنسورهای FBG و سیستم های سنجش فیبر توزیع شده (DTS / DAS) استفاده می شود.
●پردازش صنعتی و لیزر:قابل استفاده برای اندازه گیری دقیق، کالیبراسیون و ابزار نوری.
●ارتباطات و شبکه های نوری:برای تراز، آزمایش و انتقال سیگنال در سیستم های فیبر نوری.
شرایط تجارت
1) پرداخت: T/T، PayPal، Western Union و غیره
2) حمل:FedEx، DHL، UPS و غیره
3) زمان تحویل: 5 تا 20 روز
4) شرایط حمل و نقل: FOB Xi'an چین
چرا ما را انتخاب کنید؟
Aبیش از 20 سال تجربه لیزر
بتاسیسات بزرگ 4500 متر مربع و بیش از 180 کارمند حرفه ای
Cاز LD های اصلی از Arima، Osram، Nichia و غیره برای تضمین قابلیت اطمینان استفاده کنید.
D. تولید شده در کارخانه سیستم کیفیت ISO9001: 2008 ما
Eمحصول مطابق با استانداردهای FDA، IEC و GB است.
F. قابلیت های طراحی و تولید قوی، شرکای مارک های معروف
![]()


